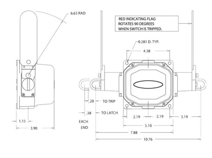
04954-204 Cable Operated Switches with Double Flag Indicator(s) or Latch Plates
04954-204 Cable Operated Switches with Double Flag Indicator(s) or Latch Plates
SKU: SKU: 04954204 Download PDF
Qty:
Unit price
per
Sold out
Shipping calculated at checkout.
IN STOCK Shipping Available
Free shipping on orders above $1000. *Wires and cables only.
Couldn't load pickup availability
